הקדמה
הידראַוליק 90 גראַד אַדאַפּטער איז אַ טייל וואָס העלפּס הידראַוליק שורות ווענדן אין אַ 90-גראַד ווינקל. עס האט אַ ענג פּלאָמבע צו האַלטן ליקס. געמאכט פון שטאַרק מאַטעריאַלס, עס קענען שעפּן הויך דרוק. עס אַרבעט אין פאבריקן, אויף פאַרמס און אין קאַרס. עס פיץ פילע שורות, האלט פליסיק פלאָוינג סמודלי, איז גרינג צו שטעלן אין און דאַרף ביסל פיקסיר. עס איז גוט פֿאַר לאַנג נוצן, וואָס מאכט עס אַ קלוג ברירה פֿאַר ערטער ווו די שורות דאַרפֿן צו דרייען שארף.



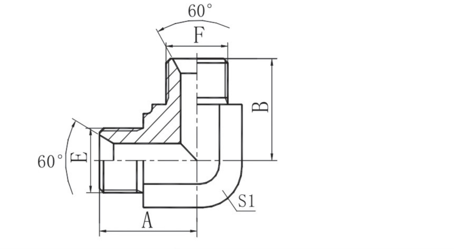
ספּעסאַפאַקיישאַנז

|
טייל נומ. |
פאָדעם |
דימענסיעס |
|||
|
E |
F |
A |
B |
S1 |
|
|
1B9-02 |
G1/8*X28 |
G1/8"*X28 |
19.8 |
19.8 |
11 |
|
1B9-02-04 |
G1/8*X28 |
G1/4"*X19 |
23 |
25 |
14 |
|
1B9-04 |
G1/4*X19 |
G1/4"*X19 |
24.5 |
24.5 |
14 |
|
1B9-04-06 |
G1/4*X19 |
G3/8"*X19 |
26.5 |
27.5 |
16 |
|
1B9-06 |
G3/8*X19 |
G3/8"*X19 |
27.5 |
27.5 |
16 |
|
1B9-08 |
G1/2*X14 |
G1/2"*X14 |
34.5 |
34.5 |
22 |
|
1B9-08-12 |
G1/2*X14 |
G3/4"*X14 |
37.5 |
40 |
27 |
|
1B9-10 |
G5/6*X14 |
G5/8"*X14 |
35 |
35 |
22 |
|
1B9-10-12 |
G5/8*X14 |
G3/4"*X14 |
37.5 |
39 |
30 |
|
1B9-12 |
G3/4*X14 |
G3/4"*X14 |
40 |
40 |
27 |
|
1B9-12-16 |
G3/4*X14 |
G1"*X11 |
43.5 |
46 |
33 |
|
1B9-16 |
G1"*X11 |
G1"*X11 |
46 |
46 |
33 |
|
1B9-16-20 |
G1"*X11 |
G1,1/4"*X11 |
50.5 |
50.5 |
41 |
|
1B9-20 |
G1,1/4"*X11 |
G1,1/4"*X11 |
50.5 |
50.5 |
41 |
|
1B9-20-24 |
G1,1/4"*X11 |
G1,1/2"*X11 |
54.5 |
57.5 |
48 |
|
1B9-24 |
G1,1/2"*X11 |
G1,1/2"*X11 |
57.5 |
57.5 |
48 |
|
1B9-32 |
G2"*X11 |
G2"*X11 |
68 |
68 |
63 |
פּאַראַמעטערס / טעכניש דאַטן
|
אָריגינעל |
זשעדזשיאַנג, טשיינאַ |
עקספּרעס טאָג |
פאַרקויפלעך |
|
Certification |
GB/T19001-2016 ידט ISO9001:2015 |
פּאַקינג |
אַרויספירן נאָרמאַל |
|
מאַטעריאַל |
טשאַד שטאָל |
וואָראַנטי |
1 יאָר |
|
צאָלונג טערמין |
TT |
MOQ |
2000 |
|
צושטאַנד |
ניו |
קאָליר |
ווייַס צינק, קאָליר צינק |
וועגן פֿירמע












אַדוואַנטאַגעס
Top קוואַליטי
אונדזער באָקע מאַנשאַפֿט ינשורז הויך סטאַנדאַרדס.מיר נאָכגיין שטרענג קוואַליטעט קאָנטראָל און האַלטן פאַכמאַן סערטאַפאַקיישאַנז.
10+ יאָרן פון דערפאַרונג
זינט 2011, מיר האָבן געדינט קלייאַנץ אין 40+ לענדער, אַרייַנגערעכנט די USA, דייַטשלאַנד, אויסטראַליע, און מער. טראַסטיד פֿאַר פאַרלאָזלעך פּראָדוקטן און ויסגעצייכנט דינסט.
ברייט פּראָדוקט קייט
4 הויפּט פּראָדוקט שורות (הידראַוליק פיטינגז, פעררולעס, אַדאַפּטערז און ניילאָן רער פיטינגז). איבער 100+ ווערייאַטיז צו טרעפן פאַרשידענע באדערפענישן.
אַפאָרדאַבאַל פּריסעס
מיר פאָרשלאָגן קאַמפּעטיטיוו פּרייסיז אָן סאַקראַפייסינג קוואַליטעט. טראַסטיד דורך קאַסטאַמערז ווערלדווייד פֿאַר ערלעך דילז און פעסט וווּקס איבער 10 יאר.
קונה-ערשטער סערוויס
דיין צופֿרידנקייט איז אונדזער פּרייאָראַטי. קוויק רעספּאָנסעס און סאַלושאַנז פֿאַר קיין אַרויסגעבן.
באַקוועם אָרט
לעבן האַנגזשאָו, מיט גרינג שיפּינג און לאַדזשיסטיקס פֿאַר שנעל דיליוועריז.

FAQ
ק: פארוואס קלייַבן אונדז?
א: מיר האָבן געארבעט מיט הידראַוליק פֿאַר 10 יאָר. אונדזער פּראָדוקטן זענען גוט קוואַליטעט, קומען מיט אַן 18- חודש וואָראַנטי, און מיר צושטעלן געשווינד. מיר אויך העלפֿן שפּאָרן קאָס, און אונדזער נאָך -פארקויפונג דינסט איז דרוק-פריי.
ק: זענען מיר אַ פאַבריק אָדער אַ טריידינג פירמע?
א: מיר זענען דער אָריגינעל פאַבריק וואָס מאכט הידראַוליק פיטינגז. מיר האָבן פאָוקיסט אויף מאכן און פֿאַרבעסערן זיי פֿאַר 10 יאָר.
ק: ווי לאַנג צו באַפרייַען?
א: אויב מיר האָבן די סכוירע אין לאַגער, עס יוזשאַוואַלי נעמט 7 -15 טעג. אויב ניט, 30-45 טעג - דאָס דעפּענדס אויף ווי פילע איר סדר.
ק: ווי צו באַצאָלן?
א: באַצאָלן 30% ווען איר באַשטעטיקן די סדר. צאָלן די רוען 70% נאָך מיר שיקן איר אַ קאָפּיע פון די רעכענונג.
ק: קענען מיר באַקומען סאַמפּאַלז? זענען זיי פריי?
א: פֿאַר אונדזער קראַנט פּראָדוקטן, מיר קענען געבן 2 פריי סאַמפּאַלז פֿאַר טעסטינג. אָבער איר דאַרפֿן צו באַצאָלן פֿאַר שיפּינג. פֿאַר מנהג פּראָדוקטן, רעדן צו אונדז צו ויספאָרשן די מוסטער פּלאַן.
ק: וואָס אויב עס איז אַ קוואַליטעט פּראָבלעם ווען איר נוצן?
א: מיר גאַראַנטירן קוואַליטעט פֿאַר 12 חדשים (פֿון די עקספּרעס טאָג). אַלע פראבלעמען וואָס זענען נישט געפֿירט דורך מענטשן זענען באדעקט.
ק: וואָס איז דער קלענסטער סדר מיר קענען שטעלן?
א: פֿאַר פּראָדוקטן אין לאַגער, איר קענען קויפן בלויז 1. פֿאַר אויס- פון- לאַגער פּראָדוקטן, מיר וועט באַשטעטיקן די קלענסטער סדר באזירט אויף די פּראָדוקט דעטאַילס.
ק: קענען איר מאַכן פּראָדוקטן פון דראַווינגס?
א: יאָ, מיר קענען. אָבער מיר דאַרפֿן קלאָר טעכניש רעקווירעמענץ און טאָלעראַנץ סטאַנדאַרדס.
ק: וואָס איז דיין נאָך-פארקויפונג דינסט?
א: מיר שפּור די לאַדזשיסטיקס אַלע די וועג. מיר דערהייַנטיקן איר אויף ווו די סכוירע זענען, און טשעק אויב איר זענט צופרידן נאָך איר באַקומען זיי.
ק: ווי טאָן איר קאָנטראָלירן פּראָדוקט קוואַליטעט?
א: מיר האָבן פאַכמאַן טעסטינג מכשירים: זאַלץ שפּריץ טעסטערס, טענסאַל מאשינען, כאַרדנאַס טעסטערס, עטק. מיר נוצן זיי צו מאַכן זיכער פּראָדוקטן זענען גוט.
ק: צי איר פאָרשלאָגן אָעם דינסט?
א: יאָ, מיר טאָן. קאָנטאַקט אונדז פֿאַר מער דעטאַילס.
ק: וואָס מין פון פּאַקקאַגינג טאָן איר נוצן?
א: רעכט איצט, מיר נוצן קאַרטאָנס. אָבער זאָגן אונדז דיין באדערפענישן, און מיר וועלן פּרובירן צו טרעפן זיי.
ק: ווען וועט איך באַקומען אַ פּרייַז?
א: מיר יוזשאַוואַלי שיקן אַ ציטירן ין 8 שעה נאָך מיר באַקומען דיין קשיא וועגן פּרייסאַז.
הייס טאַגס: הידראַוליק 90 גראַד אַדאַפּטער, טשיינאַ הידראַוליק 90 גראַד אַדאַפּטער מאַניאַפאַקטשערערז, פאַבריק
